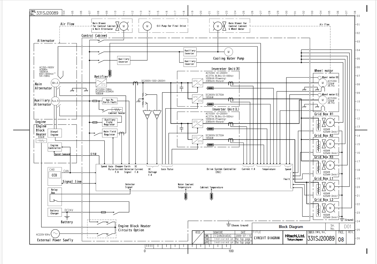
EH4000AC-2 Technical Manual Additional Document

EH4000AC-2 Technical Manual Additional Document

Format: PDF

Language: English

Size: 5,7 MB

Pages: 30

Delivery Method: Speed Download Link

Model: EH4000AC-2

Type of Documents: Engine Manual

$30

Description

EH4000AC-2 Technical Manual Additional Document

Hitachi EH4000AC-2