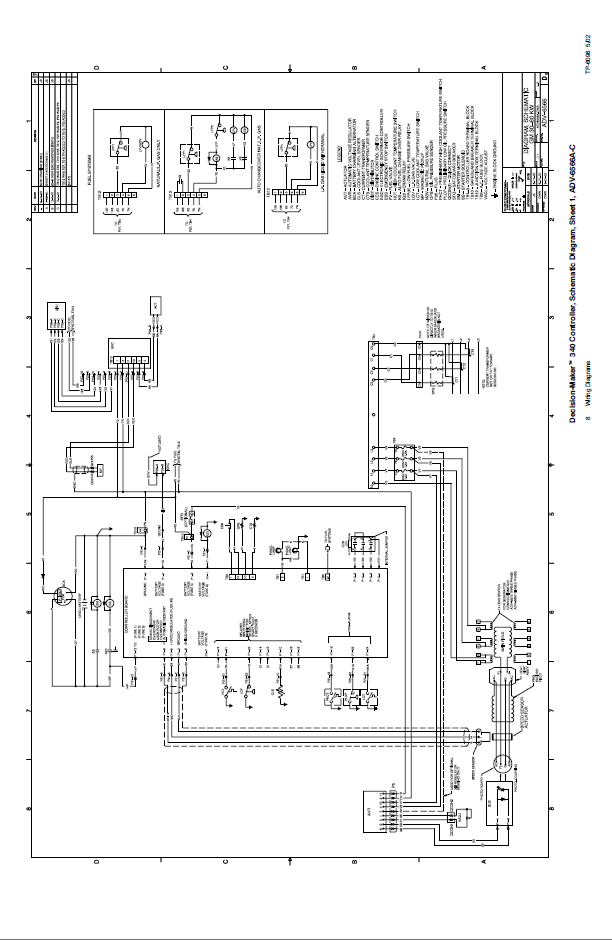
Kohler 30-125RZG, 50RZGB Fast-Response2 Industrial Generator Sets Wiring Diagrams (tp6098)

Kohler 30-125RZG, 50RZGB Fast-Response2 Industrial Generator Sets Wiring Diagrams (tp6098)

Format: PDF

Language: English

Size: 14,2 MB

Pages: 84

Delivery Method: Speed Download Link

Model: 30-125RZG, 50RZGB

Type of Documents: Diagrams

$40

Description

Kohler 30-125RZG, 50RZGB Fast-Response2 Industrial Generator Sets Wiring Diagrams (tp6098)

Kohler 30-125RZG, 50RZGB