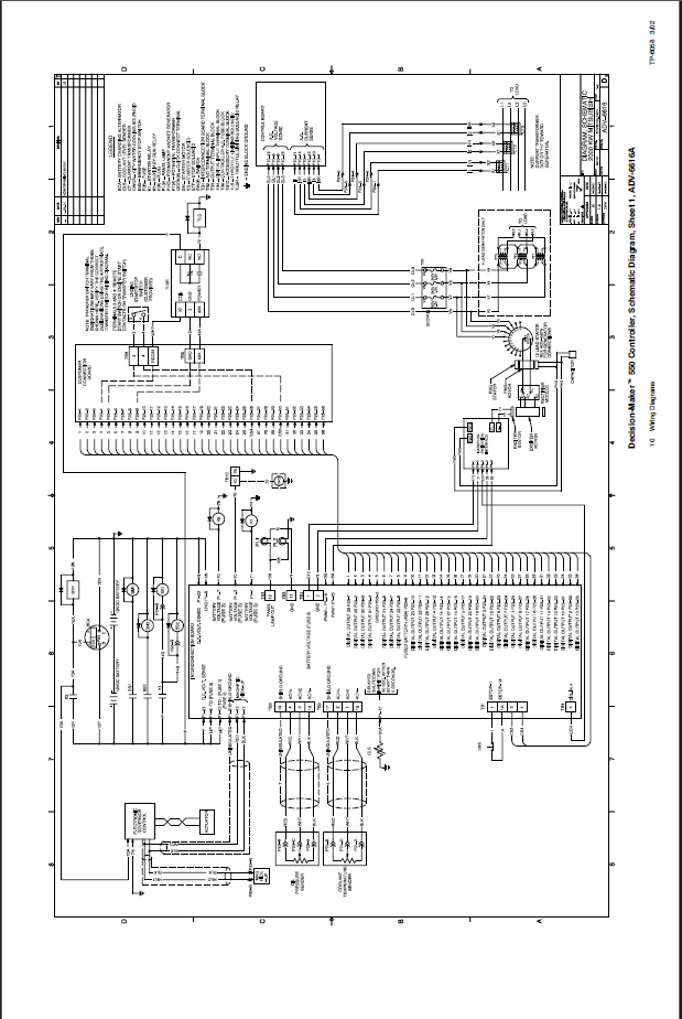
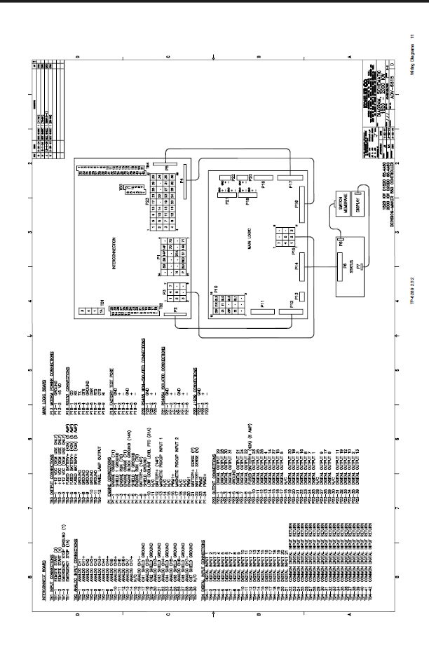
Kohler 600ROZM, 900ROZM, 1000ROZM, 2000ROZM Industrial Generator Sets Wiring Diagrams (tp6058)

Kohler 600ROZM, 900ROZM, 1000ROZM, 2000ROZM Industrial Generator Sets Wiring Diagrams (tp6058)

Format: PDF

Language: English

Size: 4,9 MB

Pages: 52

Delivery Method: Speed Download Link

Model: 600ROZM, 900ROZM, 1000ROZM, 2000ROZM

Type of Documents: Diagrams

$40

Description

Kohler 600ROZM, 900ROZM, 1000ROZM, 2000ROZM Industrial Generator Sets Wiring Diagrams (tp6058)

Kohler 600ROZM, 900ROZM, 1000ROZM, 2000ROZM