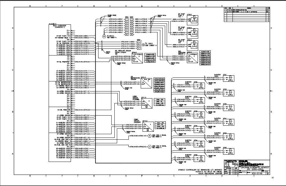
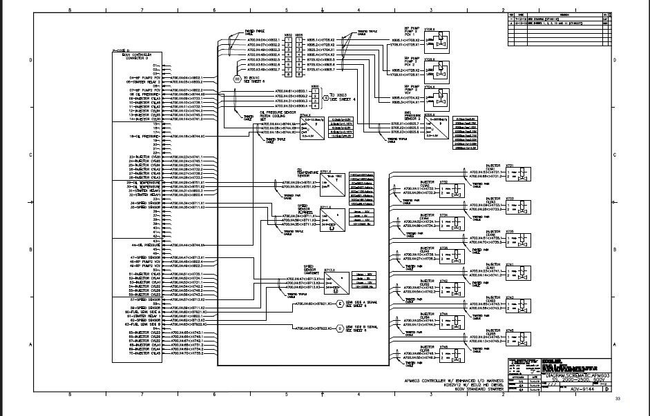
Kohler KD2000-KD2500 Industrial Generator Sets Wiring Diagrams (tp7147)

Kohler KD2000-KD2500 Industrial Generator Sets Wiring Diagrams (tp7147)

Format: PDF

Language: English

Size: 87,4 MB

Pages: 250

Delivery Method: Speed Download Link

Model: KD2000-KD2500

Type of Documents: Diagrams

$40

Description

Kohler KD2000-KD2500 Industrial Generator Sets Wiring Diagrams (tp7147)

Kohler KD2000-KD2500