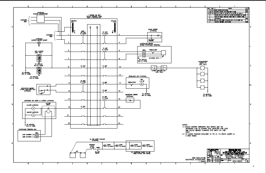
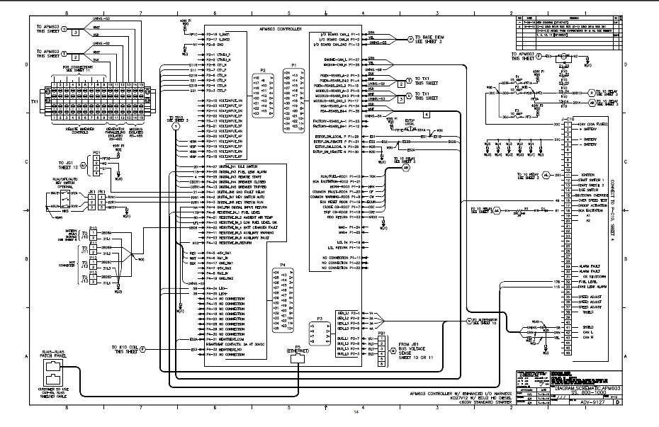
Kohler KD800-KD1000 Industrial Generator Sets Wiring Diagrams (tp7144)

Kohler KD800-KD1000 Industrial Generator Sets Wiring Diagrams (tp7144)

Format: PDF

Language: English

Size: 31,5 MB

Pages: 110

Delivery Method: Speed Download Link

Model: KD800-KD1000

Type of Documents: Diagrams

$40

Description

Kohler KD800-KD1000 Industrial Generator Sets Wiring Diagrams (tp7144)

Kohler KD800-KD1000