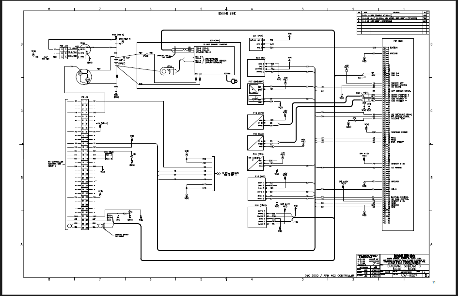
Kohler KG40-KG125 Industrial Generator Sets Wiring Diagrams (tp7112)

Kohler KG40-KG125 Industrial Generator Sets Wiring Diagrams (tp7112)

Format: PDF

Language: English

Size: 7,0 MB

Pages: 36

Delivery Method: Speed Download Link

Model: KG40-KG125

Type of Documents: Diagrams

$40

Description

Kohler KG40-KG125 Industrial Generator Sets Wiring Diagrams (tp7112)

Kohler KG40-KG125