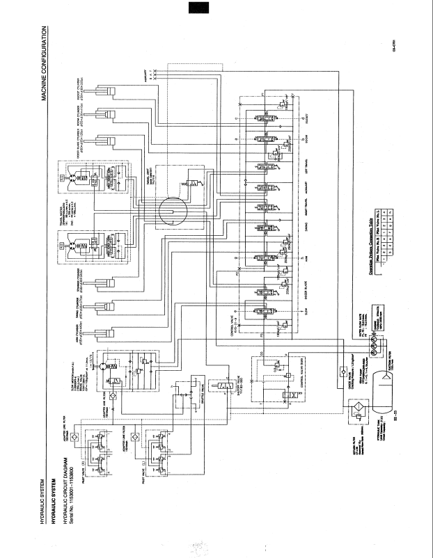
Takeuchi TB015 Compact Excavator Workshop Manual (WC3-101E5)

Takeuchi TB015 Compact Excavator Workshop Manual (WC3-101E5)

Format: PDF

Language: English

Size: 10,5 MB

Pages: 328

Delivery Method: Speed Download Link

Model: TB015

Type of Documents: Workshop Manual

$50

Description

Takeuchi TB015 Compact Excavator Workshop Manual (WC3-101E5)

Takeuchi TB015