Takeuchi WORKSHOP MANUAL TB2150 CN4F025 SN 514600003-(FRENCH)

Takeuchi WORKSHOP MANUAL TB2150 CN4F025 SN 514600003-(FRENCH)

Format: PDF

Language: English

Size: 133 MB

Pages: 700

Delivery Method: Speed Download Link

Model: TB1140

Type of Documents: WORKSHOP MANUAL

$50

Description

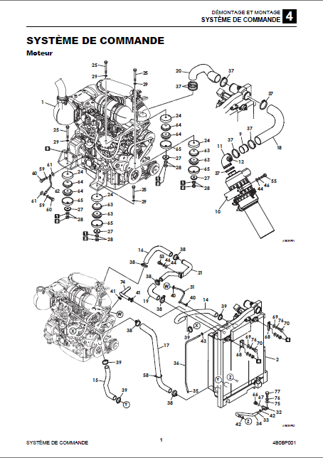
Takeuchi WORKSHOP MANUAL TB2150 CN4F025 SN 514600003-(FRENCH)

Takeuchi TB1140