Takeuchi WORKSHOP MANUAL TB335R CJ5F010 SN 135300008-(FRENCH)

Takeuchi WORKSHOP MANUAL TB335R CJ5F010 SN 135300008-(FRENCH)

Format: PDF

Language: English

Size: 210 MB

Pages: 786

Delivery Method: Speed Download Link

Model: TB335R

Type of Documents: WORKSHOP MANUAL

$50

Description

Takeuchi WORKSHOP MANUAL TB335R CJ5F010 SN 135300008-(FRENCH)

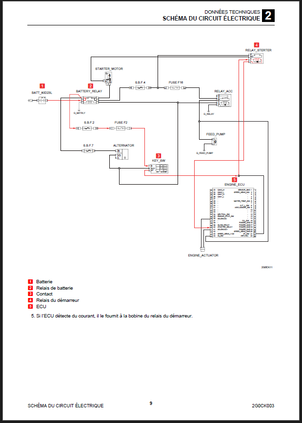
Takeuchi TB335R