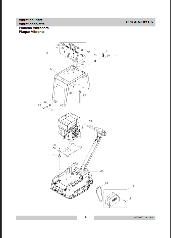
Wacker Neuson DPU 3750Hts US Reversible Plates Parts Manual

Wacker Neuson DPU 3750Hts US Reversible Plates Parts Manual

 

Format: PDF

Language: English

Size: 5,7 MB

Pages: 96

Delivery Method: Speed Download Link

Model: DPU 3750Hts US Reversible Plates

Type of Documents: Parts Manual

$45

Description

Wacker Neuson DPU 3750Hts US Reversible Plates Parts Manual

 

Wacker Neuson DPU 3750Hts US Reversible Plates