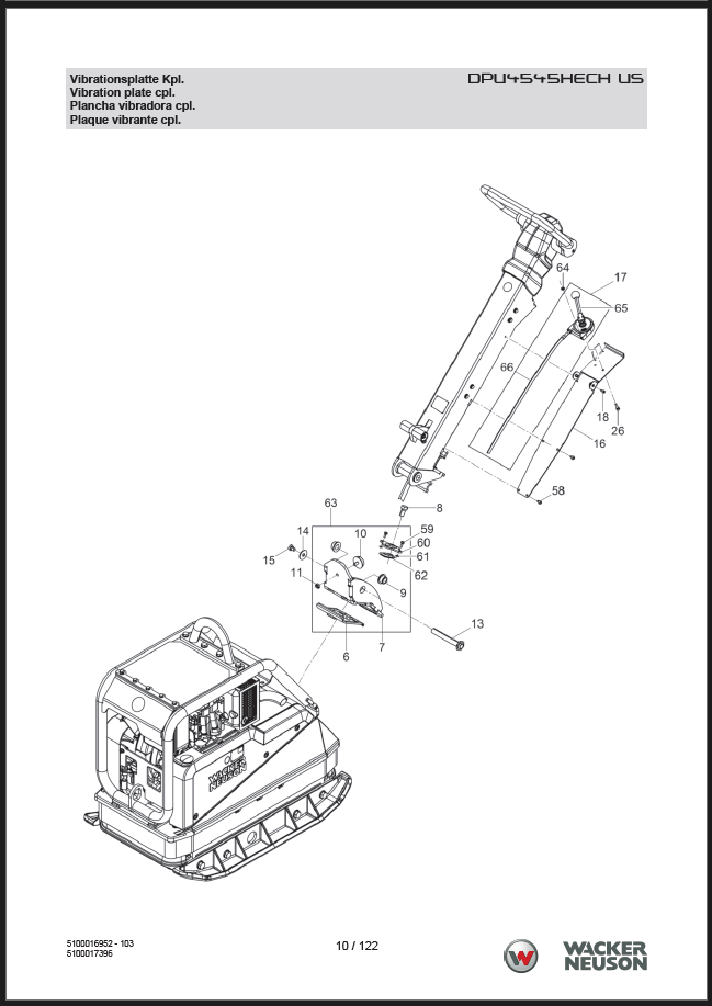
Wacker Neuson DPU4545HECH US Vibratory Plate Parts Manual

Wacker Neuson DPU4545HECH US Vibratory Plate Parts Manual

Format: PDF

Language: English

Size: 6,3 MB

Pages: 122

Delivery Method: Speed Download Link

Model: DPU4545HECH US Vibratory Plate

Type of Documents: Parts Manual

$45

Description

Wacker Neuson DPU4545HECH US Vibratory Plate Parts Manual

Wacker Neuson DPU4545HECH US Vibratory Plate