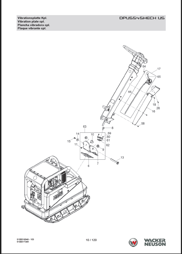
Wacker Neuson DPU5545HECH US Vibratory Plate Parts Manual

Wacker Neuson DPU5545HECH US Vibratory Plate Parts Manual

Format: PDF

Language: English

Size: 6,4 MB

Pages: 120

Delivery Method: Speed Download Link

Model: DPU5545HECH US Vibratory Plate

Type of Documents: Parts Manual

$45

Description

Wacker Neuson DPU5545HECH US Vibratory Plate Parts Manual

Wacker Neuson DPU5545HECH US Vibratory Plate