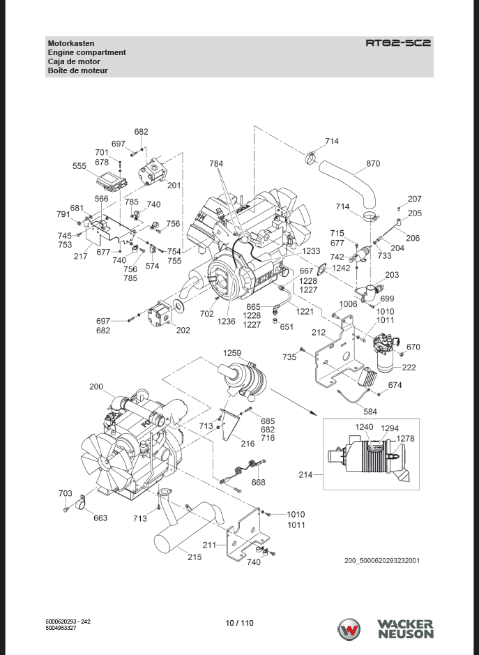
Wacker Neuson RT82-SC2 Roller Parts Manual

Wacker Neuson RT82-SC2 Roller Parts Manual

Format: PDF

Language: English

Size: 7,3 MB

Pages: 110

Delivery Method: Speed Download Link

Model: RT82-SC2 Roller

Type of Documents: Parts Manual

$45

Description

Wacker Neuson RT82-SC2 Roller Parts Manual

Wacker Neuson RT82-SC2 Roller