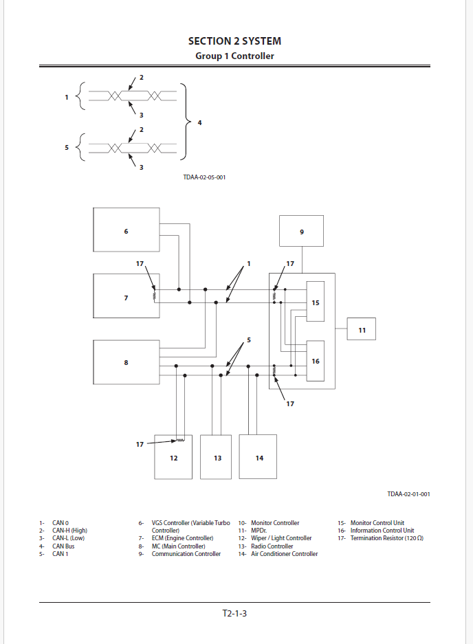
ZX290LC-5B, ZX290LCN-5B Hydraulic Excavator Technical Manual – Operational Principle

ZX290LC-5B, ZX290LCN-5B Hydraulic Excavator Technical Manual – Operational Principle

Format: PDF

Language: English

Size: 22,2 MB

Pages: 439

Delivery Method: Speed Download Link

Model: ZX290LC-5B, ZX290LCN-5B

Type of Documents: Engine Manual

$30

Description

ZX290LC-5B, ZX290LCN-5B Hydraulic Excavator Technical Manual – Operational Principle

Hitachi ZX290LC-5B, ZX290LCN-5B