ZX870-5B, ZX870LC-5B, ZX870H-5B, ZX870LCH-5B, ZX870R-5B, ZX870LCR-5B Workshop Manual

ZX870-5B, ZX870LC-5B, ZX870H-5B, ZX870LCH-5B, ZX870R-5B, ZX870LCR-5B Workshop Manual

Format: PDF

Language: English

Size: 18,4 MB

Pages: 782

Delivery Method: Speed Download Link

Model: ZX870-5A,870LC-5A,890H-5A,890LCH-5A

Type of Documents: Engine Manual

$30

Description

ZX870-5B, ZX870LC-5B, ZX870H-5B, ZX870LCH-5B, ZX870R-5B, ZX870LCR-5B Workshop Manual

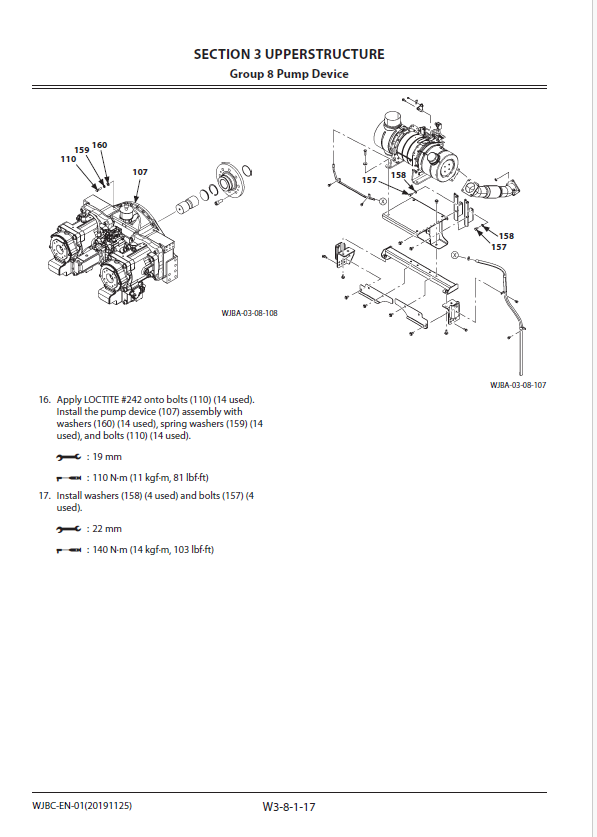
Hitachi ZX870-5A,870LC-5A,890H-5A,890LCH-5A