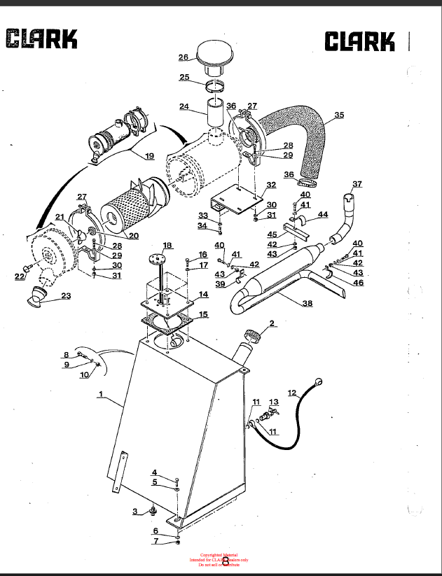
Clark DPR20, DPR25, DPR30 Diesel Rough Terrain Lift Truck Parts Manual (DPR-1 5645_1st Rev)

Clark DPR20, DPR25, DPR30 Diesel Rough Terrain Lift Truck Parts Manual (DPR-1 5645_1st Rev)

Format: PDF

Language: English

Size: 2,9 MB

Pages: 162

Delivery Method: Speed Download Link

Model: CY40B Truck, Lift, Fork, Gasoline Powered Pneumatic Rubber Tires

Type of Documents: Parts Manual

$40

Description

Clark DPR20, DPR25, DPR30 Diesel Rough Terrain Lift Truck Parts Manual (DPR-1 5645_1st Rev)

Clark CY40B Truck, Lift, Fork, Gasoline Powered Pneumatic Rubber Tires